Skip to main content
Tere, Logi sisse

Osta osakonna järgi

Abi ja seaded

Hiljutised otsingud

Tarne alates 4,99€
30-päevane tagastus
100% turvaline makse
Kvaliteedigarantii

5 Nema 17 mootoriga komplekt 3D-printerile, lameda võlliga ja 58.30 oz-in

Kaubamärk: satkit

Salvesta 2% Varem: 51,24€
50,00

Käibemaks sisaldub (KM-ta: 40,98€)

Koguse allahindlused

Kogus Hind Salvesta
2+ 49,19€ -4%
10+ 47,65€ -7%
20+ 43,55€ -15%
Piiratud laoseis
Standardtarne N, Apr 23 - E, Apr 27
Ekspresstarne T, Apr 21 - K, Apr 22
30-päevane tagastus
Tasuta tagastus 30 päeva jooksul
Turvaline tehing
Visa Mastercard PayPal Apple Pay Google Pay Bizum
Share:
Tasuta tarne Tarne alates 4,99€
Lihtne tagastamine 30-päevane tagastusõigus
Turvaline makse 100% turvaline kassaprotsess
Kvaliteedigarantii Ainult originaaltooted

See komplekt sisaldab 5 Nema 17 lameda võlliga samm-mootorit (PAP), mis on loodud spetsiaalselt 3D-printeritele ja elektroonikaprojektidele, kus on vaja täpsust ja võimsust.

Peamised omadused:

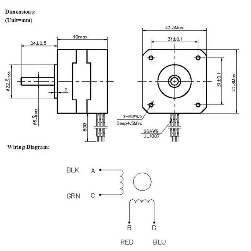
  • Osa number: JK42HS40-1704 13A
  • Raami suurus: NEMA 17
  • Sammunurk: 1,8 kraadi, ideaalne täpseteks liikumisteks
  • Pinge: 3.4V
  • Vool: 1,7 A faasi kohta
  • Takistus: 2,0 oomi faasi kohta
  • Induktiivsus: 3,0 mH faasi kohta
  • Pöördemoment (keerdemoment): 4000 g-cm (58.30 oz-in), pakkudes piisavalt jõudu telgede liigutamiseks 3D-printerites
  • Rootori inerts: 54 g-cm²
  • Hammaste lukustusmoment: 0,22 kg-cm
  • Juhtmete arv: 4
  • Kaal: 0,29 kg mootori kohta
  • Mõõtmed: Kogupikkus 40 mm, mootori võll 5 mm ja esivõlli pikkus 20 mm
  • Sertifikaadid: CE, ROHS, ISO9001

Lisaks sisaldab komplekt 5 ühe meetri pikkust kaablit ühilduvate pistikutega, mis lihtsustab paigaldamist ja ühendamist sinu projektides.

Tüüpilised kasutusalad:

  • 3D-printerid, mis vajavad parema haakumise jaoks lameda võlliga Nema 17 mootoreid
  • Robootika- ja automaatikaprojektid, mis nõuavad täpseid ja töökindlaid samm-mootoreid
  • Elektroonikaseadmed, mis kasutavad liikumise juhtimiseks PAP-mootoreid

Ühilduvus: Need mootorid ühilduvad enamiku standardsete Nema 17 samm-mootorite kontrollerite ja draiveritega, mida kasutatakse tavaliselt 3D-printerites ja Arduino süsteemides.

Selle 5 tk komplektiga saad tervikliku lahenduse oma 3D-printerite uuendamiseks või kokkupanekuks kvaliteetsete ja töökindlate mootoritega.

  • 5 Nema 17 lameda võlliga samm-mootori komplekt
  • 58.30 oz-in (4000 g-cm) pöördemoment täpseteks liikumisteks
  • 1,8-kraadine sammunurk kõrge lahutusvõime jaoks
  • Komplektis 5 ühe meetri pikkust kaablit pistikutega lihtsaks paigalduseks
  • CE, ROHS ja ISO9001 sertifikaadid kvaliteedi tagamiseks
  • Kerge kaal: 0,29 kg mootori kohta lihtsaks integreerimiseks
  • 5 mm mootori võll ja 20 mm esivõlli pikkus
  • Ühilduv standardsete 3D-printerite ja Arduino kontrolleritega

Klientide küsimused ja vastused

Mida Nema 17 mootorite komplekt sisaldab?

Komplekt sisaldab 5 Nema 17 lameda võlliga samm-mootorit ja 5 ühe meetri pikkust kaablit pistikutega, et paigaldamine oleks lihtsam.

Kui suur on iga mootori pöördemoment?

Iga mootori pöördemoment on 58.30 oz-in (4000 g-cm), mis sobib 3D-printimise rakendusteks.

Kas need mootorid sobivad tavaliste 3D-printeritega?

Jah, need Nema 17 mootorid ühilduvad enamiku 3D-printerite ja standardsete kontrolleritega, sealhulgas Arduino-põhiste süsteemidega.

Millised sertifikaadid neil mootoritel on?

Mootoritel on CE, ROHS ja ISO9001 sertifikaadid, mis tagavad kvaliteedi ja standarditele vastavuse.

Kui pikk on mootori võll?

Mootori võlli läbimõõt on 5 mm ja esivõlli pikkus on 20 mm.

Kirjuta arvustus

Kliendid, kes ostsid selle toote, ostsid ka

50,00€ Laos
ostis just selle toote
5 Nema 17 mootoriga komplekt 3D-printerile, lameda võlliga ja 58.30 oz-in 5 Nema 17 mootoriga komplekt 3D-printerile, lameda võlliga ja 58.30 oz-in
50,00€51,24€